1/1
R3G355-RP23-33 ebmpapst
No.R3G355-RP23-33
(0)
0 Sold
$0.00
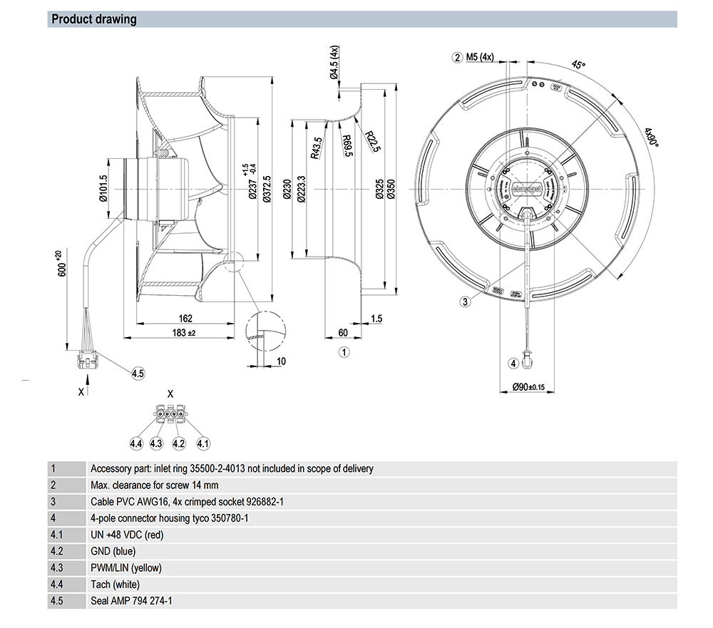
ebmpapst, Centrifugal Fan, 355mm, 48V, 290W, 4045m3/h, 450Pa, 1760rpm
1/1

