1/1
R3G630-RA38-76 ebmpapst
No.R3G630-RA38-76
(0)
0 Sold
$0.00
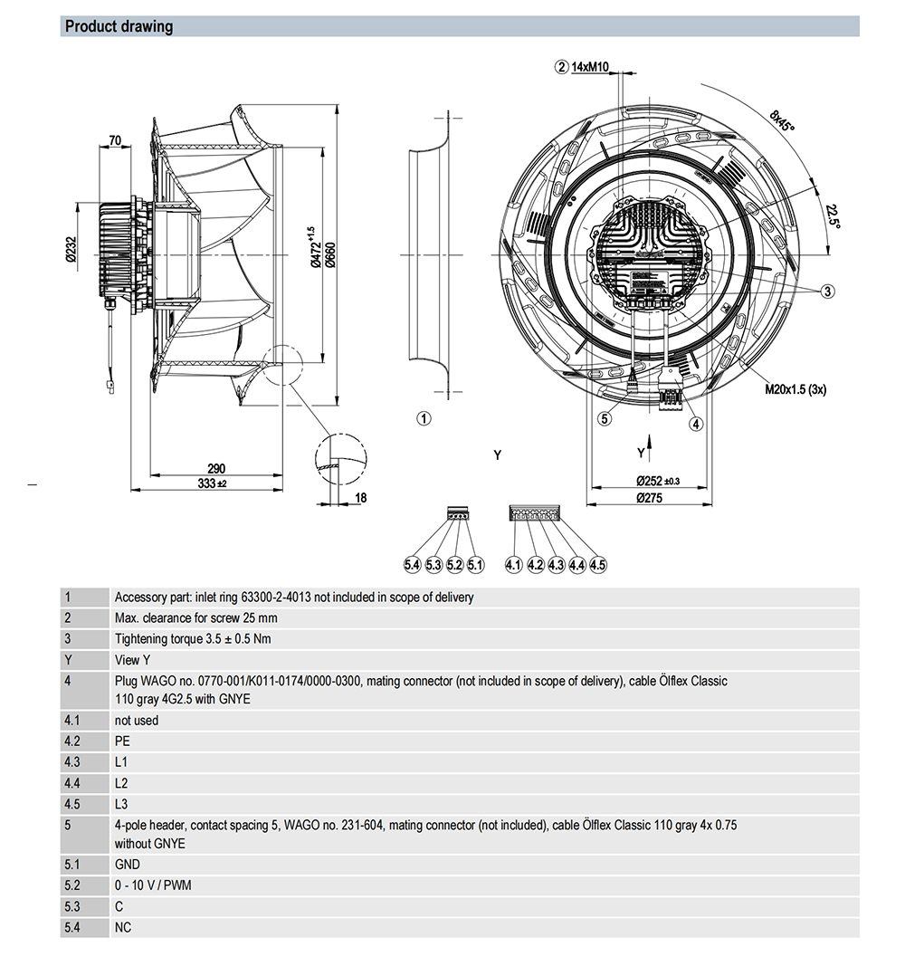
ebmpapst, Centrifugal Fan, 630mm, 400V, 2500W, 16795m³/h,660Pa, 1300rpm, 80dB
R3G630-RA38-76 ebm-papst 630mm EC Centrifugal Fan for Data Center
R3G630-RA38-76 ebm-papst 630mm EC Centrifugal Fan for Data Center
1/1




