1/1
R3G630-RB32-65 ebmpapst
No.R3G630-RB32-65
(0)
0 Sold
$0.00
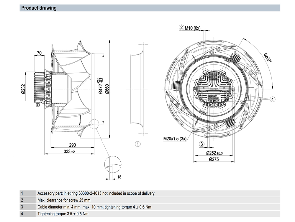
ebmpapst, Centrifugal Fan, 630mm, 400V, 3250W, 17665m³/h, 750Pa, 1370rpm, 71dB
1/1

