1/1
R3G500-RA28-02 ebm-papst
No.R3G500-RA28-02
(3)
15 Sold
$0.00
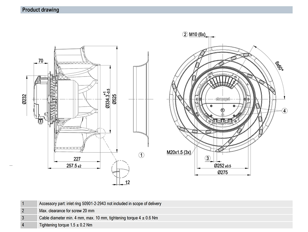
R3G500-RA28-02,ebm-papst,Centrifugal Fan,11570m³/h,2600W,70dB,1700RPM,800Pa,400V,500mm
1/1





