1/1
612NLE ebm-papst
No.612NLE
(0)
115 Sold
$15.49
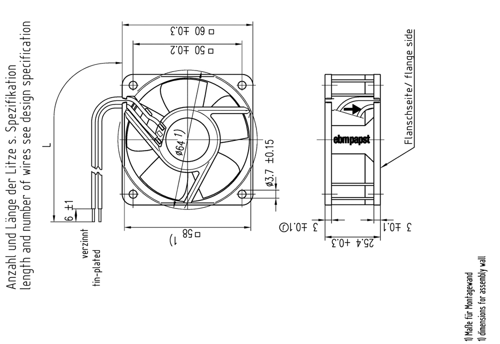
ebm-papst,Compact Fan,60*60*25mm,12V,0.35W,19m³/h,2500rpm,
1/1

