1/1
S4E450-AA09-01 ebmpapst
No.S4E450-AA09-01
(0)
0 Sold
$0.00
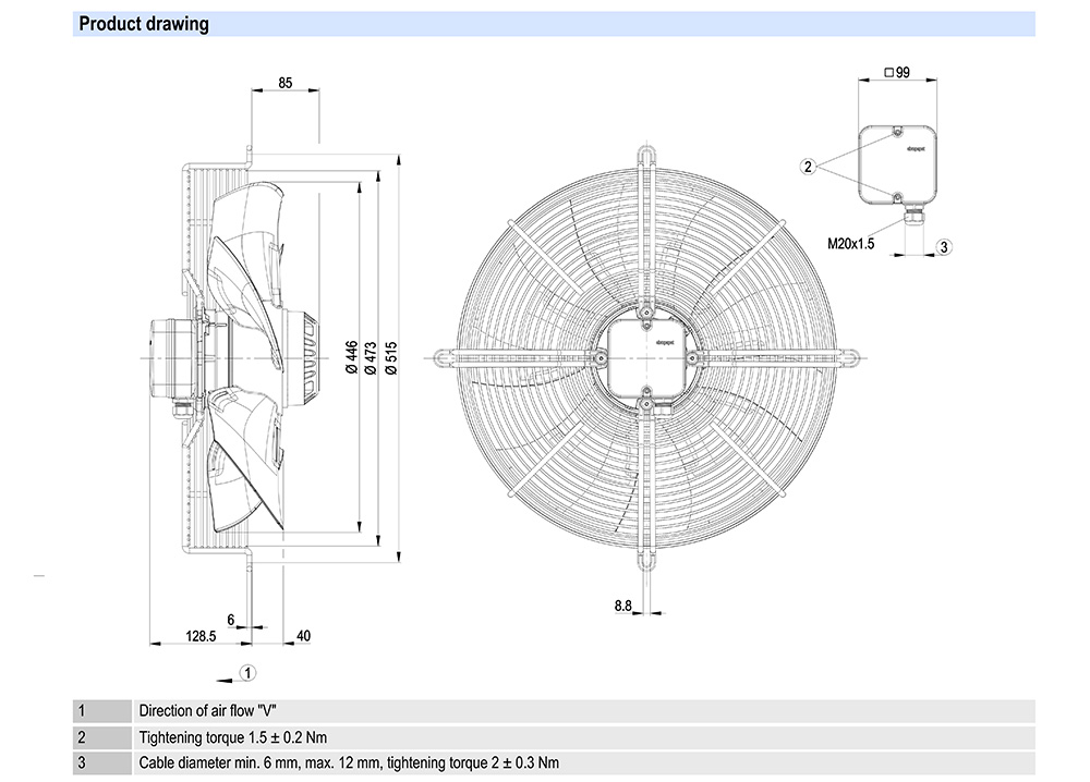
ebmpapst, Axial Fan, 450mm, 230V, 665W, 115Pa, 1490rpm
1/1

